Έμπλεξα !!!

Pierre Boulanger

Administrator
Εγγραφή
13 Νοεμβρίου 2012
Μηνύματα
13.634
Reaction score
24.965
Πόντοι
1.667
Age
53
Περιοχή
Paris in the sixties
Με αντίπαλο τον (προσωπικό μου ελεύθερο) χρόνο. Διάφορες εργασίες γίνονται. Πλησιάζω στην πρώτη δοκιμή στο δρόμο.

View attachment 33681

View attachment 33682

View attachment 33683
Δεξιά και αριστερά από το ταμπλό με τι θα αντικαταστήσεις τις ταπετσαρίες που αφαίρεσες? Ψάχνω και εγώ γιατί έχουν γίνει χάλια.
Κάνεις εξαιρετική δουλειά μπράβο
 

Giorgos_81

Member
Εγγραφή
10 Μαρτίου 2022
Μηνύματα
2.456
Reaction score
4.939
Πόντοι
747
Age
53
Ναι, χρήσιμη η βοήθεια. Το αυθεντικό, εχει μαλακό με επικάλυψη σκληρου εξωτερικά, για απόσβεση και υψηλών και χαμηλών συχνοτήτων, μια και είναι απο πίσω η μηχαανή ( ...η αθόρυβη. :D )
 

maxtsif

Member
Εγγραφή
31 Μαϊου 2018
Μηνύματα
1.184
Reaction score
4.611
Πόντοι
777
Age
56
Περιοχή
Θεσσαλονίκη
Δεξιά και αριστερά από το ταμπλό με τι θα αντικαταστήσεις τις ταπετσαρίες που αφαίρεσες? Ψάχνω και εγώ γιατί έχουν γίνει χάλια.
Κάνεις εξαιρετική δουλειά μπράβο
Τις έχω, όταν φτάσω σε αυτές τις δουλειές θα δω αν είναι ικανοποιητικές για να μπουν.
 

maxtsif

Member
Εγγραφή
31 Μαϊου 2018
Μηνύματα
1.184
Reaction score
4.611
Πόντοι
777
Age
56
Περιοχή
Θεσσαλονίκη
Και ξαφνικά, ενώ λογάριαζα να κάνω τη πρώτη δοκιμαστική βόλτα, άρχισε να καίει τη μια ασφάλεια και σταμάτησε να φορτίζει. Πάει το Σαββατοκύριακο χαμένο.
 

Giorgos_81

Member
Εγγραφή
10 Μαρτίου 2022
Μηνύματα
2.456
Reaction score
4.939
Πόντοι
747
Age
53
Και ξαφνικά, ενώ λογάριαζα να κάνω τη πρώτη δοκιμαστική βόλτα, άρχισε να καίει τη μια ασφάλεια και σταμάτησε να φορτίζει. Πάει το Σαββατοκύριακο χαμένο.
.....πες παραπάνω. Ποια ασφάλεια έκαψε ? Θέλει ΠΟΛΛΗ προσοχή στα ηλεκτρολογικά του. Παίρνουν φωτιά. Ειχα αναρτήσεις σχετικό θέμα / ανάλυση.

Πες τίποτα, και να μαθαίνουμε, αλλά και να βοηθήσουμε αν μπορούμε. cool5
 

maxtsif

Member
Εγγραφή
31 Μαϊου 2018
Μηνύματα
1.184
Reaction score
4.611
Πόντοι
777
Age
56
Περιοχή
Θεσσαλονίκη
Τη μεσαια. Δεν την εκαψε 1 φορά μόνο, Καιγεται μόλις ανοιξω διακόπτη.

33778


Η φωτο είναι πρίν τα βαψιματα τωρα ειναι όλα καθαρισμένα.
 

Flaminio Bertoni

Super Moderator
Εγγραφή
13 Νοεμβρίου 2012
Μηνύματα
6.822
Reaction score
20.293
Πόντοι
1.287
Age
53
Περιοχή
Italy Milan
Κάπου βραχυκύκλωμα, έχεις κοιτάξει να δεις σε τι αντιστοιχεί η ασφάλεια? Κ πόσα αμπέρ πρέπει να είναι κανονικά? 5A, 15A 20A ktl ktl...ανάλογα τι εξυπηρετούν..αυτή η άσπρη μονωτική ταινία ...θα την κοιτούσα αρχικά...δε μου γεμίζει το μάτι κ πολύ
 
Last edited:

minas

Member
Εγγραφή
22 Δεκεμβρίου 2017
Μηνύματα
1.044
Reaction score
3.038
Πόντοι
747
Age
37
Μπορεις-για να μην καις τη μια ασφαλεια μετα την αλλη ωσπου να βρεις τι φταιει-να συνδεσεις στη θεση της ενα λαμπακι(σφηνωνοντας το πχ με καποια καμμενη ασφαλεια).
Υπο νορμαλ συνθηκες,το λαμπακι δεν αναβει,γιατι στα ακρα της ασφαλειας δεν αναπτυσσεται διαφορα δυναμικου.Αν ομως υπαρχει βραχυκυκλωμα,το λαμπακι αναβει.
Με αυτον τον τροπο δε,το κυκλωμα μπορει να λειτουργησει και κανονικα,(αν πχ πρεπει να λειτουργησει για να κανεις καποιες μετρησεις),αφου το συρματακι της λαμπας παιζει το ρολο της ασφαλειας.Και θα ξερεις οτι εχει αποκατασταθει η βλαβη,οταν αυτο σβησει.:)

Οσο για την ταινια,συμπεραινω οτι μαλλον εχουν δωσει ρευμα σε 2 ασφαλειες απο την ιδια γραμμη,επειδη πιθανον ειχε καποιο θεμα η δευτερη...δεν ειναι σωστο προφανως,αλλα φαινεται να ειναι πριν την ασφαλειοθηκη,οποτε αν υπηρχε θεμα εκει μαλλον θα καιγοταν το αυτοκινητο και οχι η ασφαλεια.
 

Giorgos_81

Member
Εγγραφή
10 Μαρτίου 2022
Μηνύματα
2.456
Reaction score
4.939
Πόντοι
747
Age
53
Το 2CV ειναι γνωστό ότι έχει ένα παράξενο και πρόχειρο ηλεκτρικό σύστημα. Το δικό μου, κόντεψε να πάρει φωτια από τον διακόπτη των φώτων, μια και στην αρχική του κατασκευή, περνάει όλο το ρεύμα από τον επιλογέα. Ειναι ο λόγος για τον οποίο, βάζουμε ρελέ στα φώτα, ώστε να μην περνάει υψηλό αμπεράζ από εκεί.

Από την άλλη, μετά από χρόνια, οι μονώσεις ξεραίνονται, και έτσι χάνεται η μόνωση.

Η καλύτερη λύση είναι η αλλαγή των καλωδιώσεων, κίνηση που συνιστάται μια και κάνεις τέτοια εκτεταμένη ανακατασκευή.

Πάμε στο προκείμενο. Θα πρέπει να ελέγξεις τα κυκλώματα, είτε με πολύμετρο, είτε με μια ιδιοκατασκευή, λαμπάκι + μπαταρία, για να βρείς που "χάνει".

Οι ασφάλειες ως ακολούθως.

upload my photo
 

Giorgos_81

Member
Εγγραφή
10 Μαρτίου 2022
Μηνύματα
2.456
Reaction score
4.939
Πόντοι
747
Age
53
Το ηλεκτρικό κύκλωμα, σαν αρχή, ως το επισυναπτόμενο. Αλλά, θα πρέπει να ελέγξεις ότι δεν έχει υποστεί μετατροπές, δηλαδή κάποιος να έχει κάνει πρόσθεση εξοπλισμου, πράγμα σύνηθες, έναν αναπτήρα, ένα ραδιόφωνο, προβολείς, κλπ. που δεν σημειώνονται και θα πρέπει να τα βρείς.

Τουλάχιστον, εφόσον την "καίει" μόνον με το άναμμα του διακόπτη, σε κατευθύνει σε εξοπλισμό / κυκλώματα που τροφοδοτούνται από τον διακόπτη.

Οπότε, θέλει ψάξιμο.

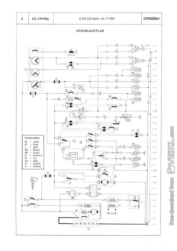
Βάζω και 1-2 διαγράμματα του κυκλώματος, για μια γενική ιδέα, απλώς, λάβε υπ' όψιν τις πιθανές αλλοιώσεις / μετατροπές από το "μαμά".

Πες τι βρίσκεις, για να βοηθήσουμε αν μπορούμε. cool5

( Πατάς την φωτό του διαγράμματος να ανοίξει, ξαναπατάς και γίνεται τεράστια για να την δείς )




 

Taskos

Member
Εγγραφή
24 Απριλίου 2013
Μηνύματα
1.522
Reaction score
3.682
Πόντοι
777
Age
56
α./Είτε κάποιο εξάρτημα "γειώνεται" στο σασί λόγω βλάβης του ή λάθος σύνδεσης
-χρησιμοποίησε πολύμετρο
-έλεγξε ξανά τα καλώδια του ταμπλώ
-αφαίρεσε ένα ένα τα συνδεμένα εξαρτήματα

β./Είτε κάποιο καλώδιο κόπηκε-γδάρθηκε-έλιωσε και βραχυκυκλώνει.
-έλεγξε οπτικά και με τη αφή ιδιαίτερα στα σημεία κάμψης και επαφής με λαμαρίνα
Entmontage-Electronic Dashboard
 

maxtsif

Member
Εγγραφή
31 Μαϊου 2018
Μηνύματα
1.184
Reaction score
4.611
Πόντοι
777
Age
56
Περιοχή
Θεσσαλονίκη
Σας ευχαριστώ όλους! Τελικά αφού τα διέλυσα όλα(...) το βραχυκύκλωμα ήταν στο διακόπτη της αντίστασης του πισω τζαμιού! Ευτυχώς φορτίζει κανονικά τώρα αλλα αυτή η καθυστέρηση με έριξε 2 σαββατοκύριακα πίσω.
 

nonos

Member
Εγγραφή
30 Νοεμβρίου 2012
Μηνύματα
9.794
Reaction score
23.858
Πόντοι
1.387
Περιοχή
Ex Πατρα, ex Δουβλινο, now Αθηνα
Έχεις την ηθική ικανοποίηση ότι το βρήκες όμως!
 

Taskos

Member
Εγγραφή
24 Απριλίου 2013
Μηνύματα
1.522
Reaction score
3.682
Πόντοι
777
Age
56
Σας ευχαριστώ όλους! Τελικά αφού τα διέλυσα όλα(...) το βραχυκύκλωμα ήταν στο διακόπτη της αντίστασης του πισω τζαμιού! Ευτυχώς φορτίζει κανονικά τώρα αλλα αυτή η καθυστέρηση με έριξε 2 σαββατοκύριακα πίσω.
Ήταν βραχυκύκλωμα προς "γείωση" ή απλώς τραβούσε πολύ ρεύμα?
 

maxtsif

Member
Εγγραφή
31 Μαϊου 2018
Μηνύματα
1.184
Reaction score
4.611
Πόντοι
777
Age
56
Περιοχή
Θεσσαλονίκη
Ήταν βραχυκύκλωμα προς "γείωση" ή απλώς τραβούσε πολύ ρεύμα?
Βραχυκύκλωμα προς "γείωση", όπως είπες. Δε προλάβαινα να δω περισσότερα, θα το μελετήσω όταν τα ξανασυνδέσω.
 

Giorgos_81

Member
Εγγραφή
10 Μαρτίου 2022
Μηνύματα
2.456
Reaction score
4.939
Πόντοι
747
Age
53
Σας ευχαριστώ όλους! Τελικά αφού τα διέλυσα όλα(...) το βραχυκύκλωμα ήταν στο διακόπτη της αντίστασης του πισω τζαμιού! Ευτυχώς φορτίζει κανονικά τώρα αλλα αυτή η καθυστέρηση με έριξε 2 σαββατοκύριακα πίσω.
Οπως σε καθοδήγησα.

......θα πρέπει να ελέγξεις ότι δεν έχει υποστεί μετατροπές, δηλαδή κάποιος να έχει κάνει πρόσθεση εξοπλισμου, πράγμα σύνηθες, έναν αναπτήρα, ένα ραδιόφωνο, προβολείς, κλπ. που δεν σημειώνονται και θα πρέπει να τα βρείς.

Τουλάχιστον, εφόσον την "καίει" μόνον με το άναμμα του διακόπτη, σε κατευθύνει σε εξοπλισμό / κυκλώματα που τροφοδοτούνται από τον διακόπτη.

Αλλά, που να φανταστώ ότι έχεις και ..........θερμαινόμενο τζάμι. :clap:

Θα σου πρότεινα να βάλεις ΞΕΧΩΡΙΣΤΗ ασφάλεια στο κύκλωμα, ώστε να μην σου ρίχνει τα βασικά, αν τύχει κάτι στο μέλλον. Δηλαδή, μην υπερφορτίσει και κάψει την ασφάλεια και μείνεις πχ νυχτιάτικα χωρίς φώτα. Πάρε μια "καθαρή" γραμμή, γιατί αν περνάει το ρεύμα και από τον διακόπτη, μην σου κάψει και το βαρελάκι του διακόπτη. Επικίνδυνα πράγματα.
 
Top Bottom